Саморез для окон. Саморезы для ПВХ-окон
- Саморез для окон. Саморезы для ПВХ-окон
- Крепление для пластиковых окон. Выбор крепежа для окон
- Как вкрутить саморез в пластик. Как вкручивать саморезы в разные материалы?
- Саморезы для установки пластиковых окон. Технология установки пластмассовых окон в древесных домах
- Длина саморезов для пластиковых окон. Как выбрать оконные саморезы?
- Саморезы в раму пластикового окна. Где, в каких местах можно сверлить пластиковые окна.
- Саморезы для ПВХ. Шурупы и саморезы, используемые в производстве ПВХ окон и дверей
Саморез для окон. Саморезы для ПВХ-окон
Неверно подобранный саморез, как и неправильно выбранное место сверления, могут сильно повредить окно из пластика. Для установки на пластиковые оконные конструкции различных дополнительных и декоративных элементов, опытные монтажники, как правило, используют саморезы 9,5 миллиметров или 15-17 миллиметров в длину. При этом, как было сказано выше, вкручивать их нужно в потенциально безопасные места. Саморезы должны иметь тонкую основу и быть без бура на кончике.
Главные ошибки, которые совершают непрофессионалы при сверлении пластиковых окон:
- Если попытаться вкрутить саморез в штапик или немного ниже него, стеклопакет повредится. Стекла, используемые в оконных ПВХ конструкциях очень прочны, но несмотря на это, прикосновение самореза к стеклопакету спровоцирует появление трещин на стекле. Произвести ремонт не получится, нужно будет заменить стеклопакет полностью. Стоить это будет минимум треть от всей стоимости оконной конструкции.
- Саморез неправильной длины (слишком длинный) с большой долей вероятности нарушит герметичность внутренних камер ПВХ профиля. Как следствие, тепло- и звукоизоляционные свойства конструкции будут утеряны. Также неправильно подобранные шурупы способны нарушить работу фурнитуры, привести к тому, что окно перестанет открываться.
- Замаскировать отверстие от неграмотно прикрученного шурупа без ухудшения эстетических и эксплуатационных качеств конструкции не получится.
Исходя из всего выше перечисленного, становится очевидным, что по возможности стоит выбирать другие способы крепления дополнительных элементов на пластиковое окно. А если сверления избежать не удается, лучше довериться профессионалам.

Крепление для пластиковых окон. Выбор крепежа для окон
Крепежные элементы, используемые при монтаже ПВХ конструкций, должны отвечать следующим требованиям:
- Обеспечение жесткой фиксации пластикового окна в проеме , с учетом ветровых и ударных нагрузок. Учет воздействия ветра особенно актуален при установке блоков на верхних этажах зданий. Ударные нагрузки на конструкцию наиболее существенны в крупногабаритных открывающихся системах.
- Компенсация температурных нагрузок , возникающих в следствии сезонных изменений. Например, зимой профиль прогибается внутрь помещения (1-2 мм на метр погонный), следовательно, крепление должно позволять смещение конструкции на эту величину.
Важно! В соответствии с ГОСТом (30971-02) нельзя рассчитывать на монтажную пену как на крепеж (ее функция исключительно герметизация). Горизонтальные нагрузки на крепление также недопустимы – блок фиксируется в проеме при помощи прокладочных материалов (расклинивается). По сути, крепеж должен удерживать конструкцию перпендикулярно ее плоскости (не дать окну выпасть).

Схема крепления окон ПВХ по ГОСТУ
От чего зависит выбор крепежа?
При выборе крепления в первую очередь смотрят из чего сделан проем, в которых планируется устанавливать пластиковое окно. Проемы сооружают из кирпича, бетона, декоративного камня, дерева, металла, шлакоблока, ракушняка или легких пористых материалов (пенобетон, газобетон и прочие).
Второй немаловажный фактор – тип сооружения и технические особенности установки. Из ПВХ профиля монтируют балконы, лоджии, входные двери, прихожие и окна.
Как вкрутить саморез в пластик. Как вкручивать саморезы в разные материалы?
Бетон
Многие мужчины не зная, как вкрутить саморез в бетон, портят достаточное количество приобретенных деталей. На самом же деле все довольно просто: в бетон саморезы «интегрируются» при помощи дюбелей – прочных пластмассовых «трубочек». Сначала в материале делается отверстие, туда устанавливается дюбель, который и «принимает» в себя крепежное изделие.
Стоит знать! Народные умельцы советуют перед установкой смазывать дюбеля клеем. Это, по их мнению, упрочняет соединения.
Сверлить отверстия в бетоне следует исключительно с помощью перфоратора – даже ударная дрель может не выдержать, что уж говорить об обычной. Саморезы подойдут как по дереву, так и универсальные.
Кирпич, керамическая плитка, стяжка
В данные среды саморезы вкручиваются точно так же, как и в бетон. Единственное, для работы с плиткой лучше брать обычную дрель, поскольку она может расколоться от чрезмерной мощи перфоратора.

Медь, бронза, алюминий
Измерьте диаметр стержня крепежного изделия без учета резьбы. Данную манипуляцию нужно выполнять штангенциркулем. Установите заостренные губки перпендикулярно саморезу и зажмите изделие таким образом, чтобы они полностью проникли в канавку резьбы; определите диаметр. Сверлом с диаметром на миллиметр-полтора меньшим полученного значения сделайте отверстие в материале. Закрутите саморез в отверстие – и работа выполнена. Детали применяйте с универсальной резьбой.
Обратите внимание! До того, как «продырявить» основную конструкцию, рекомендуется проверить сверло на небольшом ненужном кусочке аналогичного материала. Просверлите отверстие и попытайтесь закрутить туда изделие. Сверло считается верно подобранным, если саморез проходит в отверстие достаточно туго, но не заклинивается. В том случае, если шурупу не удается «пробиться», следует поработать более толстым сверлом. Слишком же легкое закручивание детали символизирует о том, что нужно взять сверло потоньше – иначе саморез в любой момент может выскочить.
Твердые металлы
Отверстие в материале должно быть равным или немного превышать диаметр стержня без резьбы. С рядом твердых металлов саморезы справиться не смогут – в частности, вкрутить данные крепежные изделия в чугун практически нереально.
Пластмасса
Далеко не каждая пластмасса готова принять в себя саморез, поэтому убедиться перед началом работ, что материал точно подходит, будет не лишним. Технология вворачивания самореза в пластмассу такая же, как и для мягких металлов – меди, алюминия, бронзы. Рекомендуемые изделия – с резьбой по дереву.

Древесина, ДВП и ДСП
Не знаете, как в доску вкрутить саморез? Поверьте, нет ничего проще. Основное правило – использовать только саморезы по дереву. Для твердых сортов древесины, тонких досок, ДСП, ДВП предварительное просверливание отверстия под изделие обязательно, поскольку существует риск раскола материала саморезом. Для толстых досок из мягкой древесины без этой манипуляции можно обойтись.
Если вы работаете:
- с древесиной твердых сортов - выбирайте сверло с диаметром равным диаметру стержня самореза (естественно, без резьбы);
- с ДВП – на 1 миллиметр меньше;
- с ДСП или мягкой древесиной – на 2-3 миллиметра меньше.
Гипсокартон
Наметьте на листе точки карандашом. Оптимальный шаг между саморезами – до 70 сантиметров в зависимости от предполагаемых нагрузок на конструкцию. Если используете шуруповерт, начинать вкручивать изделие можно на максимальной скорости. После того, как саморез войдет в поверхность на ½ рекомендуется постепенно снижать скорость до минимальной. При закручивании обычной отверткой все движения должны быть плавными. Очень важно правильно докрутить саморез – в идеале он должен оказаться на 1 миллиметр ниже уровня картона, не гипса! Это позволит обеспечить максимальную прочность будущей конструкции. Если вы вдруг не соблюли технологию и прорвали картон, «злополучное» место нужно зашпатлевать, а новую крепежную деталь разместить на расстоянии 5-9 сантиметров от него.

Тип саморезов для гипсокартона нужно выбирать в зависимости от использованного при устройстве обрешетки материала. Для металлокаркаса требуются саморезы универсальные или по металлу, для деревянной обрешетки – изделия по дереву.
Саморезы для установки пластиковых окон. Технология установки пластмассовых окон в древесных домах
Технологический процесс установки пластмассовых окон в древесных строениях имеет также свои индивидуальности.
Последовательность данной процедуры лучше не нарушать, так как это может привести к плохому функционированию данных частей дома. Она заключается в последующих действиях:
- Предварительные предварительные работы:
- демонтаж старенького окна;
- очистка оконного проема от излишней грязи;
- снятие вертикальных и горизонтальных замеров с помощью рулетки;
- проектирование будущей оконной конструкции (при этом следует учитывать все ее особенности).
- Изготовление обсадной конструкции из 4 главных древесных частей, которые должны соответствовать основному оконному проему.
- Монтаж обсадки:
- в торцах оконного проема вырезают пазы;
- в них вставляют готовую обсадную коробку;
- образовавшиеся зазоры заполняют любым подходящим м (например, монтажной пеной, тонкими досками, рулонной паклей).
- Установка пластмассового окна:
- выставляют уровень по вертикали;
- горизонт фиксируют с помощью древесных брусков, подложенных под низ оконной рамы;
- крепят оконную конструкцию к обсадной конструкции, используя при этом анкерные крепления (для этого пригодятся саморезы);
- навешивают оконные створки;
- проверяют их функционирование и плотность закрытия;
- запенивают все щели и просветы монтажной пеной по трем сторонам проема (кроме верхней).
- Финишные отделочные работы:
- срезают выступающие излишние остатки засохшей монтажной пены;
- заклеивают пенную прослойку водоизоляционной пленкой;
- устанавливают декоративные наличники, которые закроют место соединения обсадки и оконной рамы.
Длина саморезов для пластиковых окон. Как выбрать оконные саморезы?
При установке окна не обойтись саморезов. Эти элементы обеспечивают долговечное и надежное соединение рамы с основанием. Современный рынок предлагает огромное разнообразие самонарезающих винтов с различными эксплуатационными характеристиками и особенностями. Правильно подобранный саморез является залогом практичного и крепкого сцепления элементов конструкции.

Основные характеристики
Эксперты составили перечень аспектов, которые указывают на то, что винт предназначен для крепления оконных систем, а именно:
- на головке со стороны резьбы крепежа имеются специальные насечки;
- особая форма головки. После полного ввинчивания она не выступает под основанием, обеспечивая аккуратный внешний вид;
- крепкое сцепление между инструментом и саморезом в процессе вворачивания, которое обеспечивается за счет крестообразных шлицев под отвертку.
Разновидности
В сегмент оконных саморезов входит несколько видов продукции. Каждый вариант используется для достижения конкретной цели. Чтобы сделать правильный выбор, необходимо точно знать разницу между моделями.

Фурнитурные
Эта разновидность является самой распространенной и широко используемой. Оконный саморез данного типа имеется ряд преимуществ. Стоит обозначить достоинства и особенности использования винтов.
- Форма головки. Размеры головки составляют 7 мм. Элемент имеет оригинальную конфигурацию, за счет которой крепеж полностью ввинчивается в поверхность, даже в том случае, если он вкручен неровно. Форма значительно упрощает работу.
- Универсальность. Саморезы можно смело использовать для установки не только ПВХ окон, но и деревянных конструкций и материалов листового типа. Функция возможна за счет широкой резьбы. А также крепеж подойдет при монтаже конструкций на мягкие основания.


- Гальваническое покрытие. При изготовлении производители наносят слой золотого или серебряного цинка. Покрытие защищает металл от разрушающего воздействия окружающей среды, механического воздействия и нагрузок. За счет цинкового слоя саморезы способны выдерживать высокую температуру, до 150 градусов по Цельсию со знаком плюс. Если винт изготовлен в соответствии с высокими стандартами качества, то вся его поверхность будет оцинкована.
- Широкий шаг резьбы. Благодаря этой характеристике значительно ускоряется процесс вкручивания крепежей. Острый наконечник надежно фиксирует саморез на основании и не скользит во время работы. Даже новичок без опыта справится с поставленной задачей.
- Большой выбор размеров. Толщина оконных крепежей данного типа не меняется и составляет 4,1 мм, а вот длина может быть разной. Широкий размерный диапазон позволяет подобрать лучший вариант в зависимости от размеров конструкции, твердости материала и прочих факторов. Стандартная длина составляет 1,9; 2,2; 2,5; 3,0; 3,5; 3,8; 4,5 см.
Саморезы в раму пластикового окна. Где, в каких местах можно сверлить пластиковые окна.
Пластиковое окно можно и нужно сверлить если на то есть причины, тот же монтаж откосов, подвесить, допустим, тканевы роллеты * или жалюзи, при
данных работах как ни крути, но монтаж в пластиковые окна придётся вкручивать. Более того, пластиковые окна можно сверлить даже на сквозь, конечно если требует тот или иной вид работ. Но главное знать где это делать, в каком именно месте!
Как показано на картинке с права, пластиковые окна * или окно, можно сверлить даже вдоль и поперек, лишь бы вкрученный монтаж в оконный профиль, не мешал закрываться створке, а при сверлении оконной рамы, сверлом не задевал стеклопакет и в следствии монтаж!!! Каких-либо важных технических характеристик пластикового окна эта процедура не нарушит!!!
Самыми частыми местами где сверлится пластиковое окно, да и крутится монтаж, другие облагораживающие элементы окна, является весь периметр оконного профиля и даже частично штапики. Только вот от штапиков удерживающих стеклопакет, всё же советую Вам отступать. Но если знаете до какой части штапика у вас доходит стеклопакет, то и ту часть штапика можно сверлить, и вкручивать в неё любой монтаж: шуруп(-ы), пресшайбы, саморезы, болты, быстрый монтаж, моли, анкера и т.д, и т.п, вешать корнизы, жалюзи, роллеты, ставни.
* Кстати, под монтаж подоконника и отлива, выделено специальное место, что так же показано на фото справа. Подоконник нежелательно крутить прям в каркас пластикового окна - это подоконник вставляется в специальный паз где и крепиться к окну!!!
Где не стоит сверлить пластиковое окно?
Ну с этим - где не стоит сверлить или крутить монтаж в пластикове окно, нам намного легче разобраться! Самым слабым местом пластикового окна является стеклопакет и места крепления штапиков - защёлки. Вот по периметру соединения штапиком и не стоит сверлить или крутить любой монтаж - может обломаться замок!
Самая опасная зонаэто до двух сантиметров в сторону стены, от места, где начинается уплотнитель штапиков. Это расстояние стоит учитывать, если вы не хотите попасть сверлом или монтажом в стеклопакет. Удачи!!!
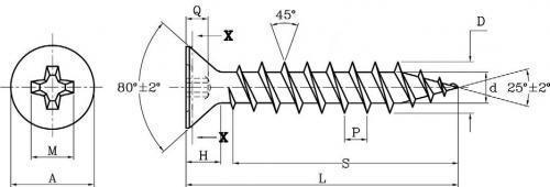
Саморезы для ПВХ. Шурупы и саморезы, используемые в производстве ПВХ окон и дверей
Мне нравится
188Для производства ПВХ окна используется 4 основные вида шурупов и саморезов:
1 Саморезы для крепления фурнитуры 

Саморез имеет: острый наконечник, резьбу с редким шагом по всей длине самореза, потайную головку со шлицем PH2. Головка шурупа может быть с насечками и без насечек.
Основные типоразмеры: 4х25мм, 4х30мм, 4.1х25мм, 4.1х30мм, 4.2х25мм, 4.2х30мм
Назначение данного вида крепежа - крепление фурнитуры к профилю ПВХ.
2 Саморезы для крепления армирующего профиля 

Саморез имеет: наконечник с буром, резьбу с частым шагом по всей длине самореза, потайную головку со шлицем PH2. Головка шурупа может быть с насечками и без насечек.
Основные типоразмеры: 3.9х16мм, 3.9х19мм, 3.9х25мм
Назначение данного вида крепежа - крепление металлического армирующего профиля к профилю ПВХ.
3 Саморезы для крепления петлевой группы
Данные саморезы предназначены для крепления петлевой группы к профилю ПВХ. По конструктиву схожи с саморезами для крепления фурнитуры либо с саморезами для крепления армирующего профиля (в зависимости от того, используется саморез с буром или с острым наконечником)
Основные типоразмеры: 3.9x32мм, 3.9x38мм, 4х30мм, 4х35мм, 4х40мм, 4.2х30мм, 4.2х35мм, 4.2х40мм
4 Универсальные шурупы и саморезы для крепления механического соединителя импоста к импосту.
Данный крепеж может иметь различные типы головок: потайная, полукруглая либо с пресс-шайбой. Шлиц PZ2/PZ3 либо PH2/PH3, резьба полная либо не полная.
Основные типоразмеры: 6х70мм, 6.3х70мм, 5х70мм, 5х90мм
Шуруп – это винт, легко вворачивающийся в любой мягкий материал, образуя в нем резьбу. К таким материалам относятся пластик и дерево.
Резьба шурупа имеет редкий шаг и наносится на резьбовой участок шурупа в виде конической формы, который к окончанию шурупа сужается. Резьба на шурупах может нарезаться по всей его длиннее или только по его части.
Шурупы бывают разных размеров и напрямую зависят от его предназначения. Такой крепеж имеет различный вид головки. Это так же зависит от его применяемости.
Для вкручивания шурупа в материал требуется предварительно просверлить отверстие меньшего диаметра, чем сам шуруп.
Саморез - по своим характеристикам и внешнему виду похож на шуруп, но имеет несколько отличий:
1. саморез более прочный
2. резьба всегда полностью покрывает цилиндрическую часть самореза
3. наконечник самореза более острый, чем наконечник шурупа
4. шаг резьбы может быть редким, частым или комбинированным.
5. для вкручивания самореза не требуется предварительное сверление отверстия.
- Потайная головка
При вкручивании утапливается в материал таким образом, чтобы не было выступающих частей. Основная масса крепежа используемого в производстве ПВХ конструкций имеет именно такой вид головки. На конусную часть потайной головки могут быть нанесены специальные насечки. Они служат для снятия стружки с поверхности примыкания головки к материалу, которая образуется при вкручивании самореза или шурупа. Насечки также служат в качестве стопора, если для вкручивания используются специальные автоматы.
- Полукруглая головка
Благодаря широкой несущей поверхности, эффективно удерживает закрепляемый элемент. Использование такой головки оправдано, когда нет особой необходимости сохранять ровной поверхность закрепляемого элемента.
- Головка с пресс-шайбой
Такой вид головки, как и предыдущий, имеет широкую несущую поверхность и малую высоту. Благодаря увеличенной несущей поверхности данный вид головки хорошо подходит для надежного крепления листовых материалов. Некоторые производители используют крепеж с такой головкой для фиксации пластиковых механических соединений в таких профилях, как Rehau, Brusbox.