Подключение электросчетчика однофазного. Схема подключения однофазного электросчетчика
- Подключение электросчетчика однофазного. Схема подключения однофазного электросчетчика
 - Подключение счетчика электроэнергии. Виды счетчиков и их ключевые особенности
 - Фазировка однофазного счетчика. Как установить однофазный электросчетчик
 - Установка электросчетчика своими руками. Порядок установки электросчетчика в квартире
 - Подключение электросчетчика на даче. Установка электросчетчика и модульного оборудования
 - Подключение однофазного счетчика Энергомера. Однофазный счётчик электроэнергии – Энергомера СЕ101
 - Видео подключение однофазного счётчика
 
Подключение электросчетчика однофазного. Схема подключения однофазного электросчетчика
Счетчики для сети 220 В могут быть механические и электронные. Также делятся они на однотарифные и двухтарифные. Сразу скажем, что подключение счетчика любого типа, в том числе и двухтарифного, производится по одной схеме. Вся разница в «начинке», которая потребителю недоступна.
Если добраться до клеммной пластины любого однофазного счетчика, увидим четыре контакта. Схема подключения указана на обратной стороне крышки клеммника, а в графическом изображении все выглядит как на фото ниже.

Как подключить однофазный счетчик
Если расшифровать схему, получается следующий порядок подключения:
- К 1 и 2 клемме подключаются фазные провода. На 1 клемму приходит фаза вводного кабеля, от второй идет фаза к потребителям. При монтаже первой подключают фазу нагрузки, после ее закрепления — фазу входа.
 - К клеммам 3 и 4 по тому же принципу подключается нулевой провод (нейтраль). К 3-му контакту нейтраль от ввода, к четвертому — от потребителей (автоматов). Порядок подключения контактов аналогичен — сперва 4, потом 3.

Наконечники штыревые
 
Подключение счетчика происходит зачищенными на 1,7-2 см проводами. Конкретная цифра указывается в сопроводительном документе. Если провод многожильный, на его концы устанавливаются наконечники, которые выбираются по толщине и номинальному току. Они опрессовываются клещами (можно зажать пассатижами).
При подключении оголенный проводник вставляется до упора в гнездо, которое расположено под контактной площадкой. При этом необходимо следить, чтобы под зажим не попала изоляция, а также чтобы очищенный провод не торчал из корпуса. То есть, длинна зачищенного проводника должна выдерживаться точно.
Фиксируется провод в старых моделях одним винтом, в новых — двумя. Если крепежных винта два, сначала закручивается дальний. Слегка подергав провод, убеждаетесь, что он закреплен, потом затягиваете второй винт. Через 10-15 минут контакт подтягивается: медь мягкий металл и немного приминается.
Как самостоятельно сделать проводку в доме читайте тут. Об особенностях электропроводки в деревянном доме написано тут .
Это что касается подключения проводов к однофазному счетчику. Теперь о схеме подключения. Как уже говорилось, перед электросчетчиком ставится входной автомат. Его номинал равен максимальному току нагрузки, срабатывает при его превышении, исключая повреждение оборудования. После ставят УЗО, которое срабатывает при пробое изоляции или если кто-то прикоснулся к токоведущим проводам. Схема представлена на фото ниже.

Схема подключения однофазного счетчика электроэнергии
Схема для понимания несложна: от ввода ноль и фаза поступают на вход защитного автомата. С его выхода они попадают на счетчик, и, с соответствующих выходных клемм (2 и 4), идут на УЗО, с выхода которого фаза подается на автоматы нагрузки, а ноль (нейтраль) идет на нулевую шину.
Обратите внимание, что входной автомат и входное УЗО двухконтактные (заходят два провода), чтобы размыкались оба контура — фаза и ноль (нейтраль). Если посмотрите на схему, то увидите, что автоматы нагрузки стоят однополюсные (заходит на них только один провод), а нейтраль подается напрямую с шины.
Подключение счетчика электроэнергии. Виды счетчиков и их ключевые особенности
| Параметр | Классифкация электросчетчиков | 
|---|---|
| Тип используемого тока | постоянный и переменный | 
| Численность фаз | однофазные, трехфазные | 
| Численность тарифов | одно- и многотарифные | 
| ип рабочего механизма | механические, электронные и гибридные счётчики электроэнергии — редко используемый промежуточный вариант с цифровым интерфейсом, измерительной частью индукционного или электронного типа, механическим вычислительным устройством | 
| По типу подключения | приборы прямого включения в силовую цепь и приборы трансформаторного включения, подключаемые к силовой цепи через специальные измерительные трансформаторы | 
На рынке представлены счетчики двух основных разновидностей: индукционные и электронные. Они различаются по механизму действия и точности измерений.
Индукционные модели стремительно вытесняются с рынка. Этому активно содействует правительство. Главный недостаток приборов данной категории в том, что их очень просто «обмануть», чем с удовольствием пользуются недобросовестные потребители.

Индукционные счетчики
Электронные же счетчики более универсальные, компактные и точные. Дополнительным преимуществом современных моделей является возможность их настройки на работу в многотарифном режиме . Этот момент в особенности актуален для потребителей, проживающих в регионах с различными тарифами на электроэнергию в дневное и ночное время суток.

Электронный счетчик электроэнергии трехфазный MTX3 с GSM
Таким образом, выбирая вид счетчика для самостоятельной установки, настоятельно рекомендуется отдавать предпочтение современным электронным моделям.
Дополнительно счетчики классифицируются по таким показателям как класс точности и номинальный ток. Чем меньше цифра класса счетчика, тем точнее он работает.

Счетчик НИК НИК 2102
Требуемый номинальный ток определяется в индивидуальном порядке. Для расчета уточните в местном представительстве энергосбыта допустимый показатель активной мощности, установленный на одного потребителя. Это число нужно разделить на 220В либо же на 380В в зависимости от напряжения вашей электросети.
Для пользователей, подключенных к трехфазной сети, обычно устанавливается более высокий порог активной мощности, однако использовать трехфазное подключение в быту не совсем целесообразно.
Важно! В случае подключения счетчика к зданиям, для которых расчетное значение тока превышает 100 А, дополнительно устанавливаются трансформаторы тока. Напрямую «врезать» измерительный прибор в подобных условиях не получится.
В таких ситуациях важно учитывать, что включение в схему промежуточных элементов способно негативным образом отразиться на точности учета, поэтому к планированию трансформаторной схемы нужно подойти со знанием. Для этого лучше обратиться к квалифицированному специалисту.
Счетчики электроэнергии
При выборе счетчика обязательно обращаем внимание на целостность пломбы и давность ее установки. Пломбу вы найдете на винтах кожуха счетчика. Максимально допустимый срок давности установки пломбы для однофазных приборов составляет 12 месяцев, для трехфазных – 24 месяца.
Фазировка однофазного счетчика. Как установить однофазный электросчетчик
Однофазный электросчетчик подключают непосредственно в разрыв линии питания. До установки счетчика к линии питания не должны быть подключены какие-либо потребители электроэнергии. Для защиты подводящей линии электроснабжения перед счетчиком целесообразно установить вводной автоматический выключатель. Он будет необходим при замене счетчика, чтобы не обесточивать всю подводящую линию.
После счетчика также необходимо поставить автоматический выключатель, он будет защищать отходящую линию и сам счетчик, если неисправность произойдет в цепи потребителя электроэнергии.

Подключение однофазного электросчетчика
При подключении электросчетчика необходимо обратить внимание на схему подключения, она обычно располагается на тыльной стороне клеммной крышки. У однофазного счетчика имеется четыре клеммы для подключение проводов:
- Вход фазного провода.
 - Выход фазного провода.
 - Вход нулевого провода.
 - Выход нулевого провода.
 

Подключение однофазного электросчетчика
Провода питания после вводного автоматического выключателя зачищают от изоляции на 15 мм и подключают к 1 и 3 клемме, отводящие провода также зачищают от изоляции и подключают к 2 и 4 клемме, соответственно схеме на крышке прибора.

Схема подключения счетчика меркурий
Такая схема подключения электросчетчика подходит для квартиры в многоэтажном доме, гаража, загородного дома или для небольшого торгового павильона.
Подключение современного электронного счетчика типа Микрон ничем не отличается от вышеизложенной схемы, которая может использоваться для установки любого однофазного учетного прибора.
Установка электросчетчика своими руками. Порядок установки электросчетчика в квартире
Прежде чем выполнить установку электросчетчика в квартире, вам необходимо получить разрешение местного поставщика услуг. При этом действовать надо следующим образом:
- Потребитель пишет заявление в энергосбытовую компанию по месту жительства о том, что хочет установить электросчетчик в квартире. После этого в течение нескольких дней (максимум недели) его данные заносятся в государственный реестр.
 - Затем поставщик услуг издает постановление, разрешающее процедуру замены или установки электросчетчика, на основании которого потребителю выдается справка на покупку нового прибора. Приобрести электросчетчик в магазине или энергосбытовой компании без такого документа нельзя.
 
К каждому прибору прилагается паспорт, в котором описаны основные параметры и характеристики устройства. Они должны совпадать с теми, которые указаны в справке энергосбытовой организации. Паспорт прибора нужно хранить постоянно, так как в последующем в него заносятся данные о проверках контролерами обслуживающей компании.
Установка электросчетчика в квартире своими руками возможна только при условии, что вы являетесь квалифицированным специалистом и имеете соответствующий допуск с третьей формой электробезопасности. В противном случае необходимо пригласить мастера со стороны. Установка электросчетчика в квартире выполняется в следующем порядке:
- Прибор обесточивается отключением вводного автомата.
 - Счетчик распломбируется, и снимается кожух.
 - От прибора отсоединяются провода с учетом цветовой схемы.
 - После того как электросчетчик полностью обесточен, его снимают со стены.
 - Выкручивают болты в корпусе устройства при помощи крестовидной отвертки.
 

Монтаж нового прибора производится в обратном порядке. Высота установки электросчетчика в квартире должна быть такой, чтобы потребителю было удобно им пользоваться, — примерно на уровне глаз. По окончании монтажа необходимо протестировать оборудование, чтобы убедиться в его работоспособности. Для этого включают несколько электрических бытовых приборов. Если электросчетчик работает нормально, то его пломбируют.
Подключение электросчетчика на даче. Установка электросчетчика и модульного оборудования
Согласно ПУЭ, перед прибором учета (счетчиком электроэнергии), должно быть установлено защитное отключающее устройство. Как правило, в большинстве случаев, таким устройством является двухполюсный автоматический выключатель. В схеме подключения счетчика, он выполняет следующие функции:
1. Защита электросчетчика
- от короткого замыкания,
 - от возгорания, в следствии превышения допустимой нагрузки, на которую рассчитан счетчик,
 - возможность выполнить работы по замене, обслуживанию счетчика
 
2. Ограничение разрешенной мощности (регулируется номиналом автоматического выключателя)
При необходимости, вы можете более подробно почитать про бытовые автоматические выключатели .
В нашем примере, вводное защитное устройство, будет устанавливаться непосредственно в квартирном щитке, боксе. Так же, в некоторых случаях, оно может быть установлено в этажном щитке, на лестничной площадке. Здесь, основным критерием, является метод и возможность пломбировки.
Пломбировке подлежит все, что находиться в боксе. Если у обслуживающей организации, имеется возможность опломбировать автоматический выключатель, то он монтируется в бокс, если нет, то в этажный щит. Автомат пломбируется специальными наклейками, которые клеятся на винты контактов, сверху и снизу автоматического выключателя. Счетчик, пломбируется пластиковыми или свинцовыми пломбами.
Ну что же, с пломбировкой мы разобрались, вернемся к установке электросчетчика.
Начнем, с монтажа вводного двухполюсного автоматического выключателя. С помощью специальной защелки, имеющийся на задней стенке автомата, устанавливаем его на верхнюю дин рейку.
Более подробно, о подключении автоматического выключателя , можно почитать в соответствующей инструкции.

Следующим этапом, идет установка счетчика электроэнергии.
На его задней стенке, так же как и на автомате, имеется защелка для крепления на дин рейку.

Теперь, монтируем отходящие однополюсные автоматы. В нашем примере, их будет два.

Установка счетчика электроэнергии модульного оборудования завершена, переходим к подключению.
Подключение однофазного счетчика Энергомера. Однофазный счётчик электроэнергии – Энергомера СЕ101
Электросчётчик Энергомера СЕ101 – однофазное, однотарифное изделие для подсчёта потреблённой электроэнергии при подключении в двухфазные цепи переменного электротока. Прибор рассчитан на использование в быту, коммунальной и промышленной сфере, в общественном учреждении для установки на любом индивидуальном объекте.

- измерительным модулем;
 - одним или двумя токовыми датчиками (в виде шунта или трансформатора электротока);
 - механическим счётным устройством роликового типа.
 
Аппарат оборудован испытательным выходом, для подключения оборудования при поверке.
Принцип работы основан на преобразовании поступающих сигналов электротока в импульсы, с последующей обработкой и выводом на роликовое табло.
Технические характеристики
| Характеристики | Величина | 
|---|---|
| Класс точности | 1 или 2 | 
| Диапазон входных сигналов: | |
| сила тока, А напряжение, В коэффициент мощности  | от 0,05 Iб до Iмакс от 0,75Uном до 1,15Uном от 0,8емк. до 1,0 до 0,5инд.  | 
| Базовый (максимальный) ток, А | 5 (50); 5 (60) или 10 (100) | 
| Номинальное напряжение, В | 230 | 
| Диапазон рабочих температур окружающего воздуха, °С | -40… +70 | 
| Диапазон значений постоянной счетчика, имп/(кВт*ч) | от 800 до 6400 | 
| Рабочий диапазон изменения частоты, Гц | 50±2,5 или 60±3 | 
| Стартовый ток (чувствительность), мА: | |
| для одноэлементных счетчиков | |
| с базовым током 5 А с базовым током 10 А  | 10 20  | 
| для двухэлементных счетчиков: | |
| с базовым током 5 А с базовым током 10 А  | 20 40  | 
| Полная мощность, потребляемая цепью тока при базовом токе, В*А, не более | 0,05 | 
| Полная (активная) мощность, потребляемая цепью напряжения при номинальном значении напряжения, В*А (Вт) | 9 (0,8) | 
| Масса, кг, не более | 1,0 | 
| Способ крепления | Рейка ТН35, винты | 
| Габаритные размеры, мм: | |
| для R5 для R5.1 для S4 для S6 для S8 для S10  | 110×89×72.5 105×90×60 185×121×61.5 170×115×53 200×125×75 185×124×61.5  | 
| Средняя наработка до отказа, час | |
| Срок службы, лет | не менее 30 | 
| Межповерочный интервал, лет | 16 | 
| Цена, рос. руб. | от 700 | 

Размеры счётчиков электроэнергии – Энергомер СЕ101
Документация
Руководство по эксплуатации: Смотреть
Формуляр: Смотреть
Описание типа: Смотреть
Декларация соответствия: Смотреть
Каталог производителя: Смотреть
Гарантия на прибор
Производитель гарантирует соответствие изделия требованиям государственных стандартов. Продолжительность гарантийного обслуживания – в течение 7-ми лет от момента производства. Бесплатный ремонт возможен, если аппарат вышел из строя по причине неисправности, допущенной при сборке, а не в результате неправильного обращения.
Преимущества прибора
Счётчик отличается следующими преимуществами:
- простотой и надёжностью конструкции;
 - высокой точностью измерения;
 - большим нормативным сроком службы и межповерочным интервалом;
 - надёжной защитой от самовольного вмешательства в работу;
 - выгодной ценой;
 - привлекательным внешним видом.
 
Разновидности счётчика
Производятся следующие исполнения приборов:
- S6 145 М6 (М7) – первые два символа обозначают тип конструкции корпуса, модель класса точности 1, рассчитана на напряжение 230 В, величину базового и предельного электротока соответственно 5 и 60 А, комплектуется табло с 6-ю или 7-ю роликами;
 - S6 148 М6 (М7) – отличается параметрами тока 10 и 100 А, остальные характеристики аналогичны;
 - R5 145 М6 (М7) – разница в типе корпуса, остальные показатели аналогичны первой модели в перечне;
 - R5 148 М6 (М7) – модель с характеристиками второй модели в списке с корпусом предыдущего исполнения.
 

Расшифровка маркировки счётчика – Энергомера СЕ101

Возможны модели с корпусами R5.1, S4, S8, S10 с аналогичной комплектацией.
Снятие показаний
В зависимости от исполнения, прибор снабжён индикатором в 6 и 7 символов, с одним дробным разрядом. Десятичная доля обозначается красным цветом ролика или аналогичной скобкой вокруг числа на корпусе и не используется при снятии показаний(красная рамка).

Снятие показаний со счётчика – Энергомера СЕ101
Порядок процедуры:
- Выписывается целое значение числа киловатт-часов, исключая начальные нули(жёлтая рамка).
 - Отнимается значение прошлого замера месяцем ранее.
 - Разность перемножается на величину тарифного плана.
 
Можно ли сэкономить
Потребитель может сэкономить только путём снижения расходных показателей, посредством:
- правильного выбора счётчика;
 - соблюдения правил эксплуатации оборудования, согласно требованиям изготовителя;
 - оптимальной нагрузки на электросеть;
 - исключения неоправданных трат электроэнергии.
 
Счётчик конструкционно защищён от несанкционированного воздействия с целью хищения энергии и учитывает показатели по нарастающему итогу.
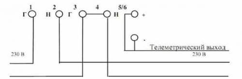
Подключение счётчика
В зависимости от исполнения корпуса, прибор может устанавливаться на ДИН-рейку или винты. Подключение должен выполнять квалифицированный электрик. Перед началом работ следует отключить подачу энергии.

Схема подключения счётчика – Энергомер СЕ101
При подключении необходимо учитывать требования завода изготовителя, изложенные в руководстве по эксплуатации. После подключения и подачи тока, прибор проверяется в работе. Затем накладываются защитные пломбы, и выполняется запись ответственным работником организации, подключавшей счётчик, в формуляре устройства.
